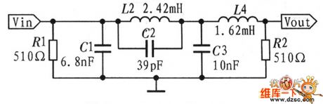
Published:2011/9/14 2:07:00 Author:Ecco | Keyword: Elliptic filter | From:SeekIC

Reprinted Url Of This Article:
http://www.seekic.com/circuit_diagram/Signal_Processing/Elliptic_filter_circuit_diagram.html
Print this Page | Comments | Reading(3)
Code: