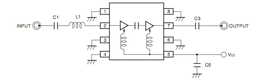
Published:2013/5/14 22:12:00 Author:muriel | Keyword: Evaluation Board Including Components | From:SeekIC

Reprinted Url Of This Article:
http://www.seekic.com/circuit_diagram/Signal_Processing/Evaluation_Board_Including_Components_2.html
Print this Page | Comments | Reading(3)
Code: