Published:2011/5/22 7:01:00 Author:Felicity | Keyword: Eyesight Preserver (the 4th) | From:SeekIC

Work of the circuit
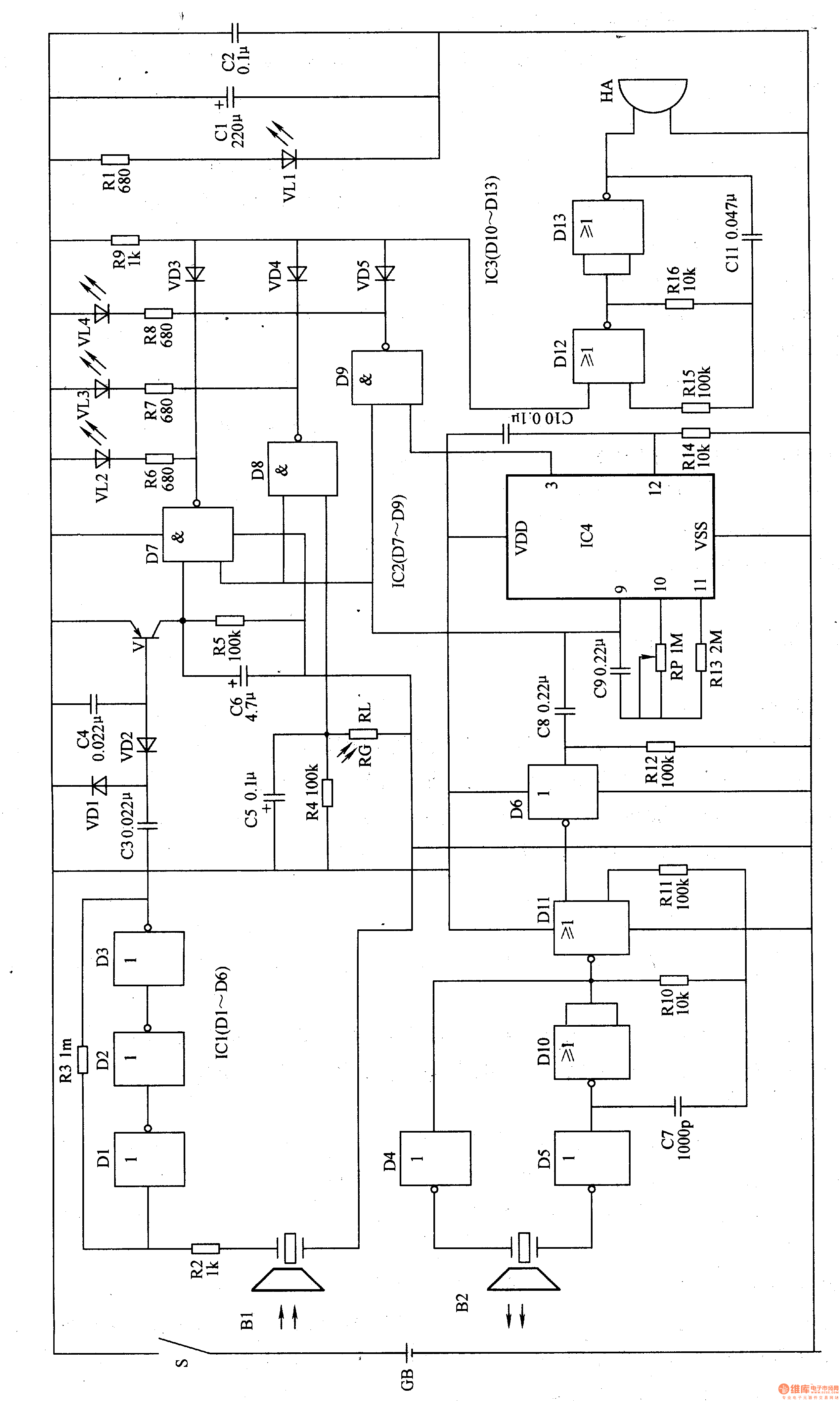
The circuit consists of power circuit, ultrasonic launching circuit, ultrasonic receiving circuit, timing controlling circuit, light examining circuit, LED indicating circuit and sound warning circuit (It is showed in picture 9-62.).
Turn on power switch and the circuit starts to work. When the user’s head is too near from the writing pad (the distance is less than 35cm) VL2 shines and HA makes the sound “tick tick” to alarm the user. When the environmental light is strong enough the voltage of VD is not so high. Here VL does not shine and HA makes no sound. When the environment light is dim the voltage of VD is high. Here VL shines and HA makes sound to remind the user to flip on the lamp. When the regular time is over VL3 is lightened and the HA makes sound to remind the user to have a rest.
Reprinted Url Of This Article:
http://www.seekic.com/circuit_diagram/Signal_Processing/Eyesight_Preserver_the_4th.html
Print this Page | Comments | Reading(3)
Code: