Published:2011/5/22 7:05:00 Author:Felicity | Keyword: Eyesight Preserver (the 5th) | From:SeekIC

Work of the circuit
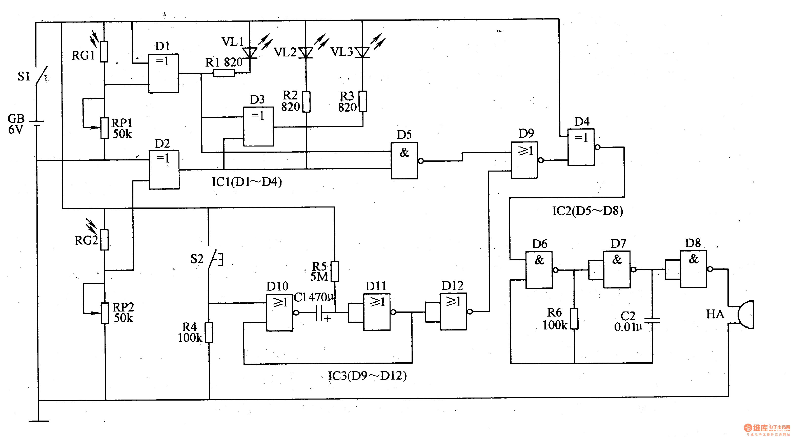
The circuit consists of timing circuit, trigger controlling circuit, light examining circuit, LED indicating circuit and sound warning circuit (It is showed in picture 9-63.).
When the environmental light is strong enough the voltage of VD is not so high. Here VL does not shine and HA makes no sound. When the environment light is dim t VL2A shines and HA makes sound to remind the user to flip on the lamp. When the regular time (30min) is reached, HA makes sound to remind the user to have a rest. If the user does not want to stop he can press button S2 to make the timer begin to work again.
Reprinted Url Of This Article:
http://www.seekic.com/circuit_diagram/Signal_Processing/Eyesight_Preserver_the_5th.html
Print this Page | Comments | Reading(3)
Code: