Published:2009/7/9 4:03:00 Author:May | From:SeekIC

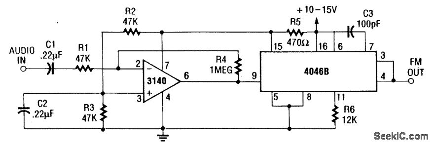
The internal zener on pin 15 of the 4046B supplies a stable voltage to the 3140lC op amp. This ampli-fter modulates the 4046B VCO. The amplifier gain is about 20x (26 dB voltage). The VCO produces a 220-kHz carrier that is FM modulated. C3 can be changed to vary this frequency.
Reprinted Url Of This Article:
http://www.seekic.com/circuit_diagram/Signal_Processing/FM_GENERATOR.html
Print this Page | Comments | Reading(3)
Code: