Published:2009/7/20 2:37:00 Author:Jessie | From:SeekIC

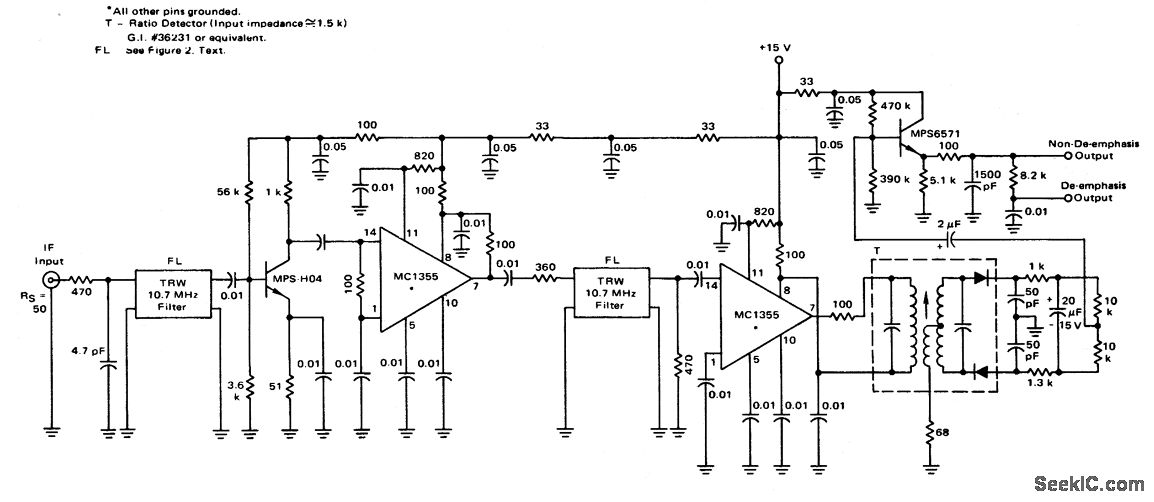
FM IF amplifier using two MC1355 chips. Two TRW phase linear five-pole 10.7 MHz filters provide a combined 240 kHz bandwidth (courtesy Motorola Semiconductor Products Inc.).
Reprinted Url Of This Article:
http://www.seekic.com/circuit_diagram/Signal_Processing/FM_IF_amplifier_using_two_MC1355_chips.html
Print this Page | Comments | Reading(3)
Code: