Published:2009/7/19 22:37:00 Author:Jessie | From:SeekIC

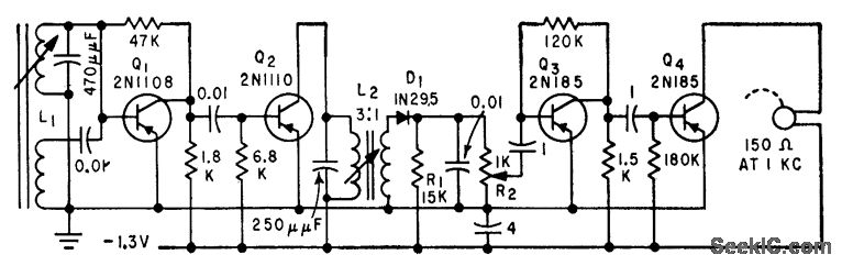
Single-channel receiver fits into one temple piece of eyeglass frame, with ferrite antenna in other piece, and separate miniature earphone.-H. F. Cooke, Transistor Eyeglass Radio, Electronics, 32:39, p 88.
Reprinted Url Of This Article:
http://www.seekic.com/circuit_diagram/Signal_Processing/FOUR_TRANSISTOR_TRF.html
Print this Page | Comments | Reading(3)
Code: