Published:2009/7/14 22:24:00 Author:Jessie | From:SeekIC

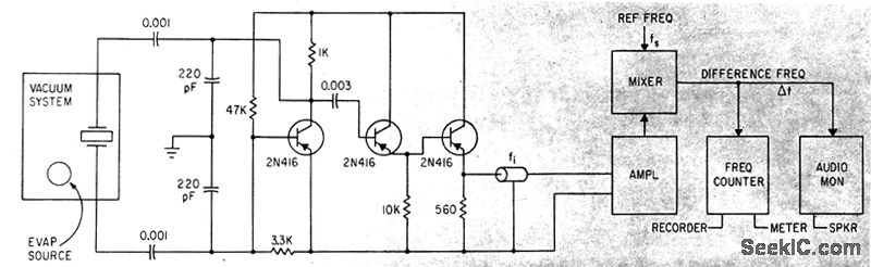
Film is deposited on quartz crystal mounted alongside substrate in vacuum, causing crystal frequency to change. Amplified output of Colpitts crystal oscillator is fed through coax to mixer that also receives reference frequency, and beat-frequency difference (related to film thickness) is indicated on counter.-S. J. Lins and P.E. Oberg, Avtomatic Deposition Control, Electronics, 36:13,P 33-35.
Reprinted Url Of This Article:
http://www.seekic.com/circuit_diagram/Signal_Processing/FREQUENCY_MONITOR_CONTROLS_DEPOSITION_OF_THIN_FILMS.html
Print this Page | Comments | Reading(3)
Code: