Published:2009/7/20 0:56:00 Author:Jessie | From:SeekIC

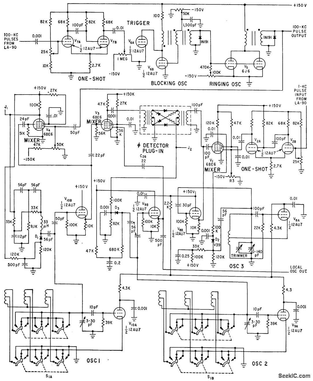
Three oscillators oscillator in synthesizer provide frequency increments of 1 kc from 2 to 30 mc, to replace local oscillator operation in double-conversion ssb receiver.-J. E. MacDowell, Stable Frequency Synthesizer Replaces Sideband Converter, Electronics, 35:25, p 41-43.
Reprinted Url Of This Article:
http://www.seekic.com/circuit_diagram/Signal_Processing/FREQUENCY_SYNTHESIZER.html
Print this Page | Comments | Reading(3)
Code: