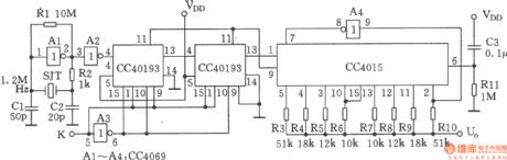
Published:2011/4/12 3:37:00 Author:Ecco | Keyword: Frequency shift keying, signal generator | From:SeekIC

Reprinted Url Of This Article:
http://www.seekic.com/circuit_diagram/Signal_Processing/Frequency_shift_keying_signal_FSK_generator.html
Print this Page | Comments | Reading(3)
Code: