Published:2011/7/8 11:24:00 Author:Fiona | Keyword: electronic ringer | From:SeekIC

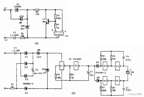
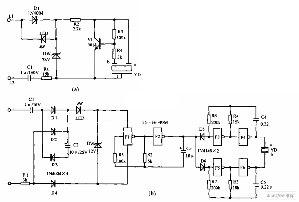
Telephone electronic ringer circuit is shown as above,Figure (a) is the electronic ring circuit with an NPN transistor V1 (choose 9014 or 3DG12) as the core, sound devices YD is also feedback devices composed of the feedback pole and the buzzer equipped with the help of the sound chamber. L1, L2 connect to circuit line;C1 and R1 have limiting and reducting voltage effects; R2 is the isolation resistor.D1 is the commutation diode.DW is the clamper tube. Figure (b) is the electronic ringing circuit with A general CMOS integrated block CD4069(or 4069, MC4069, TC4069)as the core design.
Reprinted Url Of This Article:
http://www.seekic.com/circuit_diagram/Signal_Processing/Function_Signal_Generator/Telephone_electronic_ringer_circuit.html
Print this Page | Comments | Reading(3)
Code: