Published:2009/7/19 23:43:00 Author:Jessie | From:SeekIC

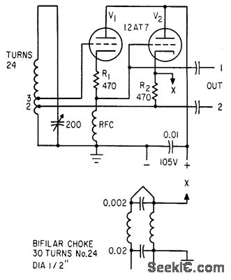
Modification of Lampkin circuit uses pair of cathode followers in cascade, with tube circuits being tapped across part of coil and excited from resonator through high impedance. Bifilar choke minimizes variations in heater-cathode capacitance of driver V2.-E. Robberson, R-F Oscillator has Improved Stability, Electronics, 36:32, p 62-63.
Reprinted Url Of This Article:
http://www.seekic.com/circuit_diagram/Signal_Processing/HIGH_STABILITY_3_35_MC_OSCILLATOR.html
Print this Page | Comments | Reading(3)
Code: