Published:2011/7/10 22:55:00 Author:Felicity | Keyword: Health, Therapeutic Instrument, | From:SeekIC

Work of the circuit
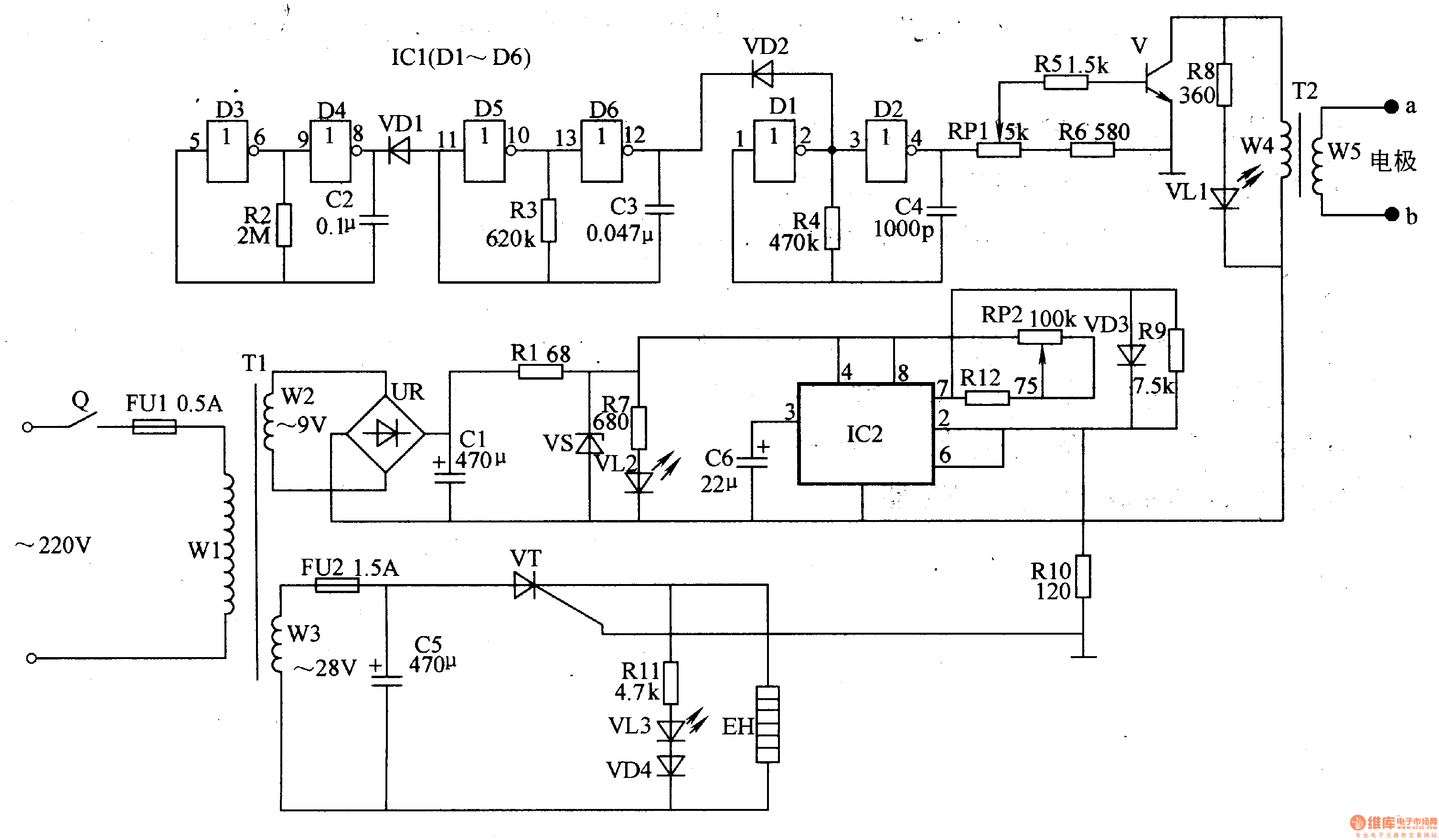
The circuit consists of power supply circuit, electrical pulse generator circuit and magnetic thermal control circuit. (It is showed in picture 9-30.)
Power supply circuit consists of timer Q, fuse FUl, FU2, power transformer Tl, bridge rectifier, UR, filter capacitor Cl, C5, voltage regulator diode VS, current limiting resistor Rl, R7, and power indicator LED VLl.
Electrical pulse generator circuit consists of six non-gate integrated circuit ICl (Dl-D6), resistors R2-R6, R8, potentiometer RPl, capacitors C2-C4, diode VDl, VD2, transistors V and pulse transformer T2.
Magnetic thermal control circuit consists of time-base integrated circuit lC2, resistors R9-Rl2, potentiometer RP2, capacitor C6, diode VD3, VD4, light-emitting diodes VL3, thyristor VT and electric heater EH.
Reprinted Url Of This Article:
http://www.seekic.com/circuit_diagram/Signal_Processing/Health_Therapeutic_Instrument.html
Print this Page | Comments | Reading(3)
Code: