Published:2011/6/6 5:09:00 Author:Felicity | Keyword: Hearing-aid (the 3rd) | From:SeekIC

Work of the circuit
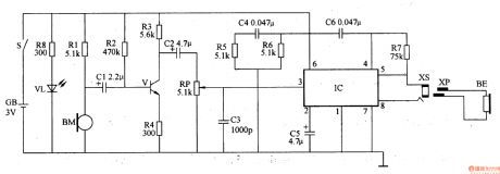
The hearing-aid circuit consists of volume amplifier circuit, capacity amplifier circuit and power indicating circuit (It is showed in picture 9-79.).
Turn on the power switch S and VL is lightened. In the same time volume amplifier circuit and capacity amplifier circuit begin to work. BM collects sound signalandthen turnsitinto faint electric signal which drives BE to make sound after being adjusted by V, RP and IC. When GB is lack of power light of VL will become faint to remind the users to change the battery.
Reprinted Url Of This Article:
http://www.seekic.com/circuit_diagram/Signal_Processing/Hearing_aid_the_3rd.html
Print this Page | Comments | Reading(3)
Code: