Published:2011/6/6 5:01:00 Author:Felicity | Keyword: Hearing-aid (the 5th) | From:SeekIC

Work of the circuit
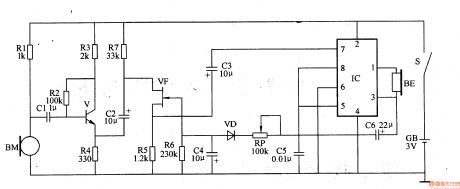
The hearing-aid circuit consists of amplifying output circuit, volume controlling circuit and voice-frequency amplifying circuit. (It is showed in picture 9-81.).
Turn on the switch S and the machine begins to work. BM turns the sound signal it collects into electric signal. Then the electrical signal drives BE to make sound . Some of IC’s outputting signals can adjust IC’s inputting and outputting voltage after being filtered by C5, RP, VD and C3. In this way the volume can be controlled automatically.
If you change the value of RP you can change the volume.
Reprinted Url Of This Article:
http://www.seekic.com/circuit_diagram/Signal_Processing/Hearing_aid_the_5th.html
Print this Page | Comments | Reading(3)
Code: