Published:2011/4/29 3:18:00 Author:Rebekka | Keyword: High-end telephone equipment | From:SeekIC

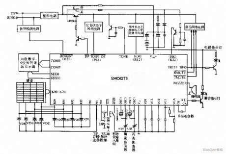
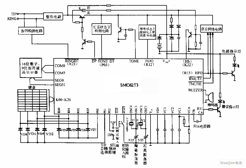
High-end telephone equipment circuit diagram.
Reprinted Url Of This Article:
http://www.seekic.com/circuit_diagram/Signal_Processing/High_end_telephone_equipment_circuit_diagram.html
Print this Page | Comments | Reading(3)
Code: