Published:2009/7/15 4:55:00 Author:Jessie | From:SeekIC

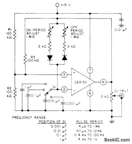
High input resistance of CA3130 opamp permits use of high RC ratios in timing circuits, to give pulse period range of 4 μs to 1 s with switch-selected capacitors.- Circuit Ideas for RCA Linear ICs, RCA Solid State Division, Somerville, NJ, 1977, p5.
Reprinted Url Of This Article:
http://www.seekic.com/circuit_diagram/Signal_Processing/INDEPENDENT_ON_AND_OFF_PERIODS.html
Print this Page | Comments | Reading(3)
Code: