Published:2009/7/24 2:47:00 Author:Jessie | From:SeekIC

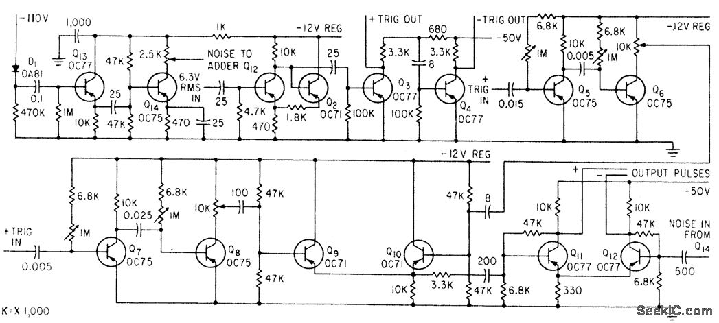
Generates long and short output pulses with positive and negative polarities, each adjustable in duration and amplitude. Small pulse can be moved through large pulse. Simulator is triggered at power-line frequency.-K. Perry, Back-Scatter Simulator Checks lonospheric Sounder Displays, Electronics, 35:25, p 50.
Reprinted Url Of This Article:
http://www.seekic.com/circuit_diagram/Signal_Processing/IONOSPHERIC_SOUNDER_PULSE_SIMULATOR.html
Print this Page | Comments | Reading(3)
Code: