Published:2011/7/9 6:35:00 Author:Felicity | Keyword: Industrial Instrument, Sound And Light Alarm | From:SeekIC

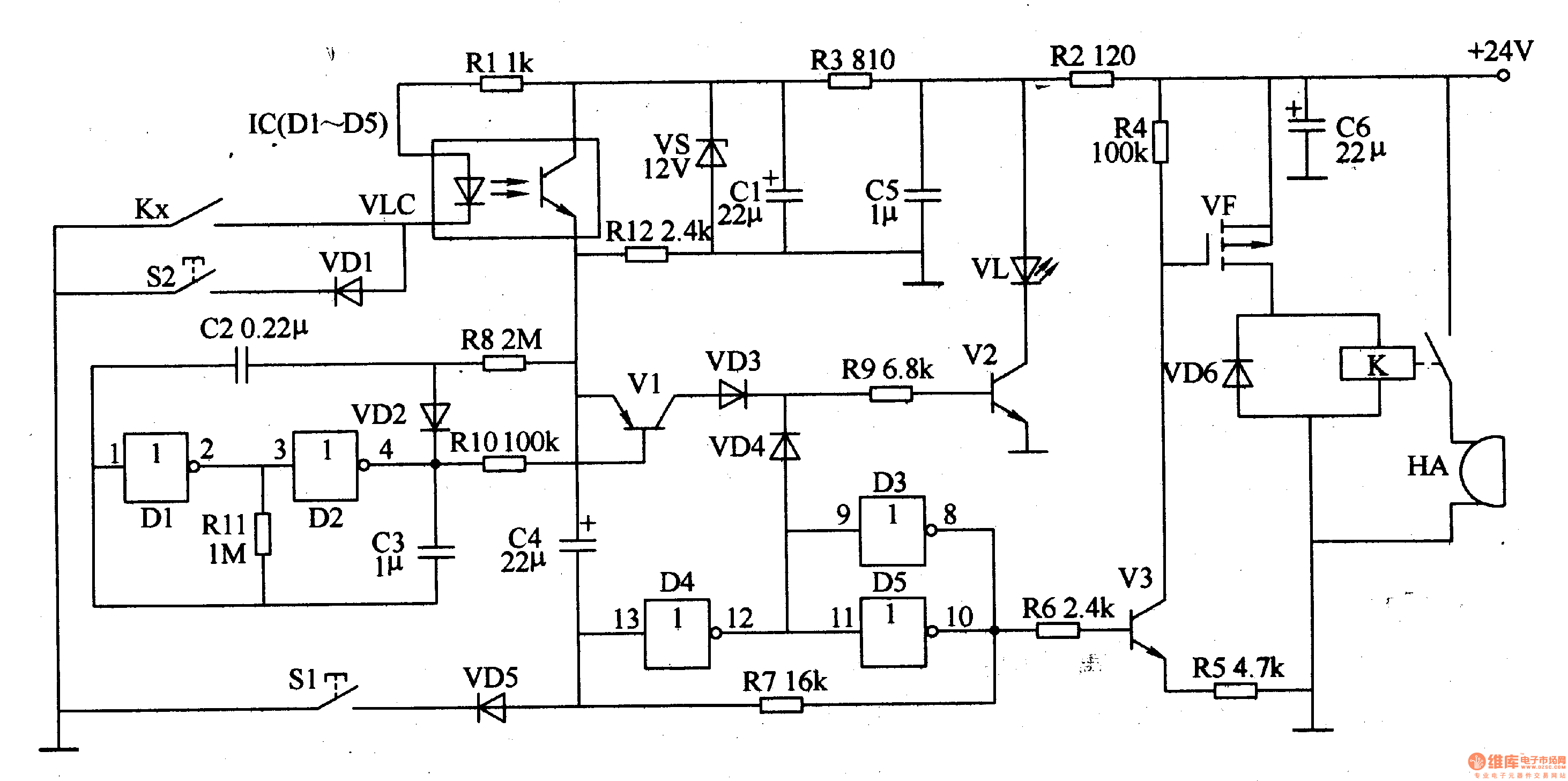
Work of the circuit The circuit consists of + l2V regulator circuit, the switching control circuit, oscillator, bistable trigger circuit and sound and light alarm. (It is showed in picture 8-120.)+ l2V regulator circuit consists of resistors R2, R3, filter capacitor Cl, C5, C6 and regulator diode VS.The switching control circuit consists of resistors Rl, Rl2, mix together goose control VLC and industrial instrumentation control contact (controlled by electrical contacts) Kx.Oscillator consists of NAND gate IC IC (Dl-D5) within the Dl, D2 and the diode VD2, resistors Rll, capacitors C2, C3.Bistable trigger circuit consists of D3-D5 within IC and resistor R7.Sound and light alarm consists of transistor Vl-V3, resistor R4-R6, Rg, RlO, light-emitting diodes VL, diodes VD3, VD4, VD6, field-effect transistors VF, K and alarm relay HA.
Reprinted Url Of This Article:
http://www.seekic.com/circuit_diagram/Signal_Processing/Industrial_Instrument_Used_Sound_And_Light_Alarm_Two.html
Print this Page | Comments | Reading(3)
Code: