Published:2009/7/24 4:26:00 Author:Jessie | From:SeekIC

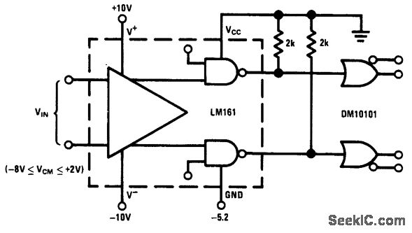
Fig. 15-12 This circuit shows how a high-speed comparator (LM161) that is designed for operation with TTL can be interfaced directly to ECL. National Semiconductor Linear Applications Handbook. 1991 p 326.
Reprinted Url Of This Article:
http://www.seekic.com/circuit_diagram/Signal_Processing/Interfacing_a_comparator_to_ECL.html
Print this Page | Comments | Reading(3)
Code: