Published:2011/5/10 1:41:00 Author:Sue | Keyword: LED, Illuminations | From:SeekIC

The LED illuminations introduced here have adjustable twinkle frequency and can make various kinds of lights patterns, and can also be used in toy decorations and gardening.
Working Principle:
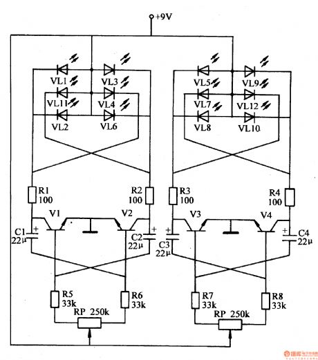
As seen in the figure 1-159, the LED illuminations circuit consists of multivibrator A,B and illuminated diodes VL1-VL12.
Multivibrator A consists of resistor R5,R6, potentiometer RP1, capacitor C1,C2 and transistor V1,V2. Multivibrator B consists of resistor R7,R8, potentiometer RP2, capacitor C3,C4 and transistor V3,V4.
When A begins to work, R1,R2 will drive VL1-V to illuminate. When B begins to work, R3,R4 will drive VL5-VL12to illuminate.
When we adjust the values of RP and RP2, we can change the output waveform duty ratios of A and B respectively, so the light effect can be changed.
Reprinted Url Of This Article:
http://www.seekic.com/circuit_diagram/Signal_Processing/LED_Illuminations_3.html
Print this Page | Comments | Reading(3)
Code: