Published:2009/6/16 23:54:00 Author:May | From:SeekIC



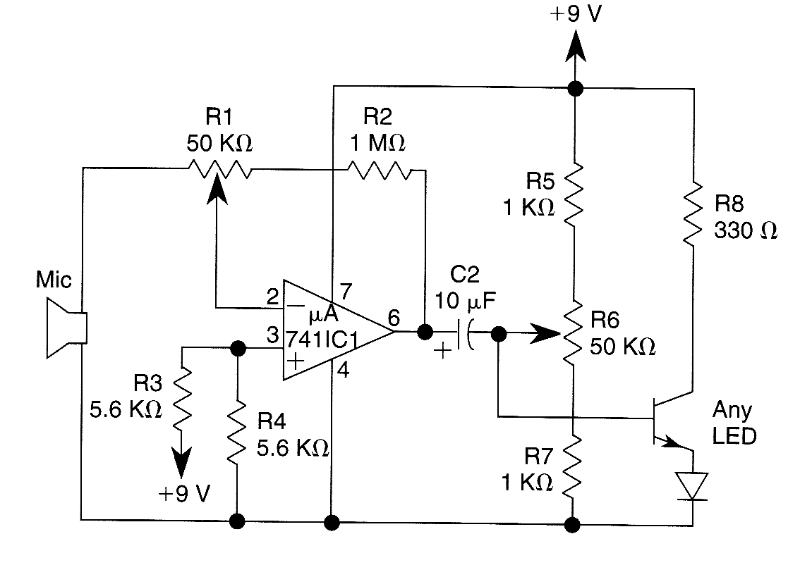
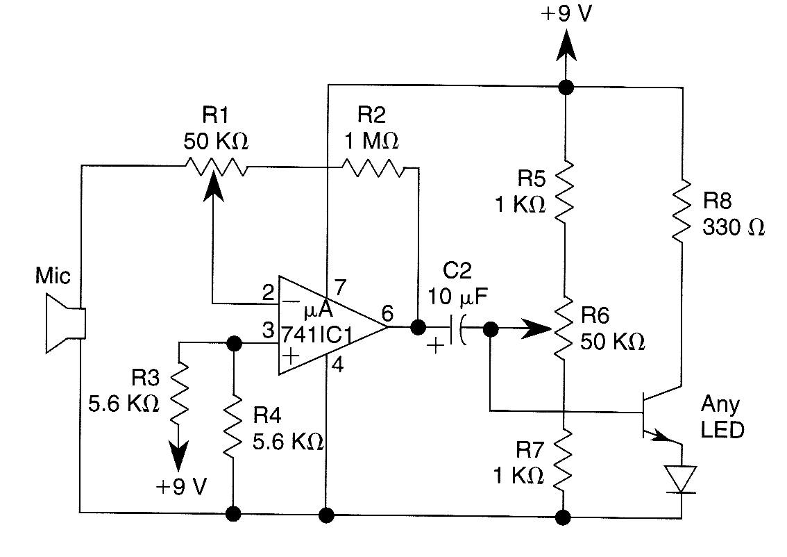
This transmitter uses a 741 op amp as a high-gain audio amplifier, which is driven by a rnicro-phone. The output of the 741 is coupled to Q1, which serves as the driver for a LED. Potentiometer RI is the amplifier's gain control. Miniature trimmer resistor R6 permits adjustment of the base bias of Ql for best transmitter performance. Gain control RI can be eliminated if C1 and R2 are con-nected directly to pin 2 of the 741. For maximum sensitivity, increase the value of R2 from 1 to 10MΩ and use a crystal microphone with a large diaphragm.
Reprinted Url Of This Article:
http://www.seekic.com/circuit_diagram/Signal_Processing/LIGHT_WAVE_VOICE_COMMUNICATION_TRANSMITTER.html
Print this Page | Comments | Reading(3)
Code: