Published:2009/7/16 6:50:00 Author:Jessie | From:SeekIC

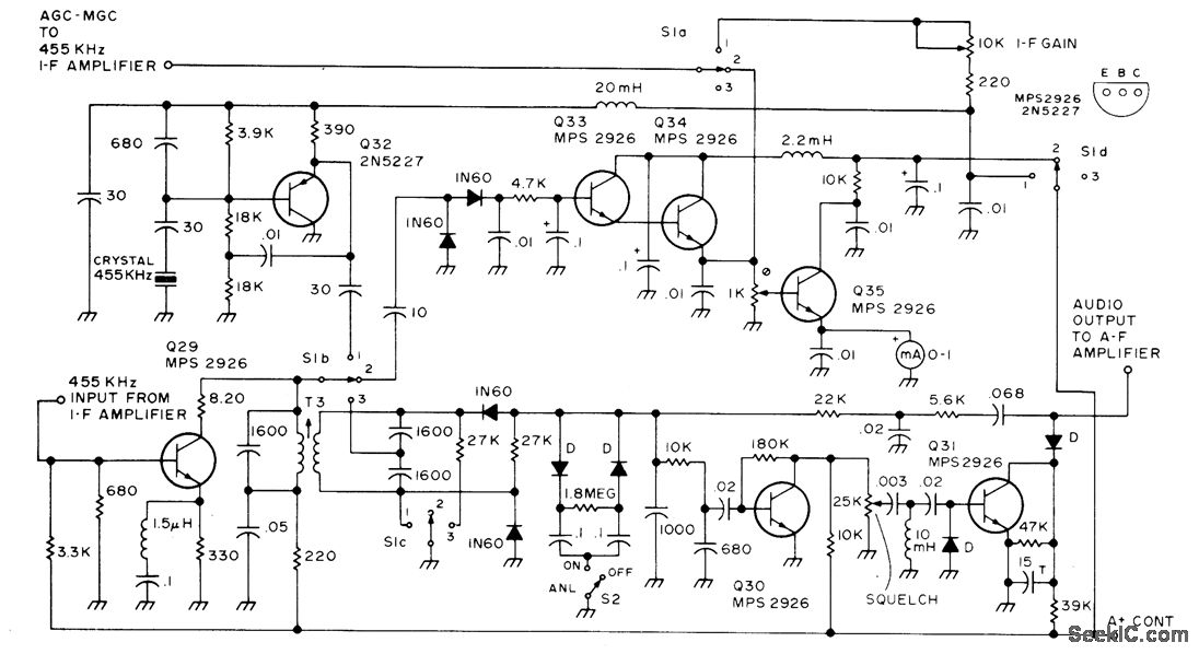
Used in all-band double-conversion superheterodyne receiver for AM, narrow-band FM, CW, and SSB operation. Q29 acts as limiter on FM but on AM is 455-kHz amplifier whose RF output is coupled to 1N60 AGC rectifier pair connected as voltage doubler that provides bias for AGC amplifier Q33-Q34. Output of Q29 is coupled to detector by T3. Although detector is actually phase discriminator, mode switch connects circuit as half-wave rectifier for AM and CW/SSB. On CW/SSB (S1 on 1), AGO rectifier is disconnected and AGC diodes receive bias from manual gain-control pot. BFO is then energized and connected to T3. Output of diode detector feeds squelch and audio stages. Supply is 13.6 V regulated. Article gives all circuits of receiver.-D. M. Eisenberg, Build This All-Band VHF Receiver, 73 Magazine, Jan.1975, p 105-112.
Reprinted Url Of This Article:
http://www.seekic.com/circuit_diagram/Signal_Processing/LIMITER_DETECTOR.html
Print this Page | Comments | Reading(3)
Code: