Published:2009/7/24 2:10:00 Author:Jessie | From:SeekIC

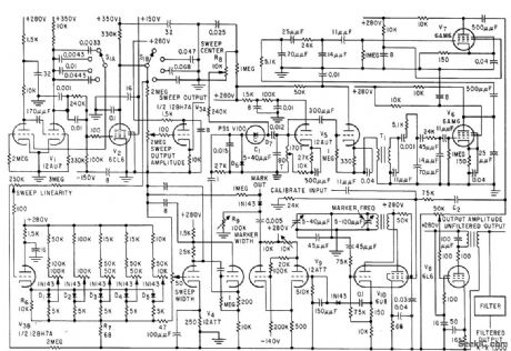
Frequency is swept from 400 to 600 kc electronically by using reverse-biased pn junction diode C as variable capacitor in oscillator V5. Frequency markers are provided. Output is amplified and filtered to give 6 w into 150 ohms with high purity of wave form.-M. M. Brady, Oscillator Design Using Voltage-Variable Capacitors, Electronics, 32:34, p 38-40.
Reprinted Url Of This Article:
http://www.seekic.com/circuit_diagram/Signal_Processing/LINEAR_FREQUENCY_SWEEP_GENERATOR.html
Print this Page | Comments | Reading(3)
Code: