Published:2009/7/19 23:13:00 Author:Jessie | From:SeekIC

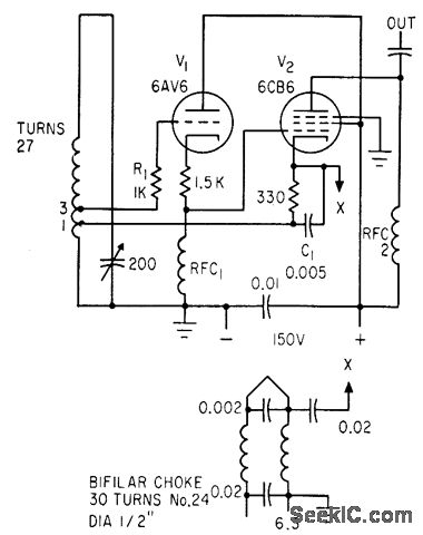
Refined version of Lampkin variable r-f oscillator for dual-conversion receiver gives uniform output over band and sufficient stability for single-sideband reception after 30-see warmup.-E. Robberson, R-F Oscillator has improved Stability, Electronics, 36:32, p 62-63.
Reprinted Url Of This Article:
http://www.seekic.com/circuit_diagram/Signal_Processing/LOAD_ISOLATING_3_35_MC_OSCILLATOR.html
Print this Page | Comments | Reading(3)
Code: