Published:2009/7/7 1:07:00 Author:May | From:SeekIC

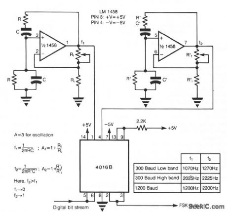
In FSK, two discrete frequencies are used to represent the binary digits0 and 1. The heart of the circuit consists of two Wien-bridge oscillators built using a dual op amp LM 1458, for the two frequencies. The two frequencies are enabled corresponding to digital data using two switches in SCL 4016. The control lines of these switches are logically inverted with respect to each other using one of the switches in SCL 4016 as an inverter, so as to enable only one oscillator output at a time. The digital bit stream is used to control the analog switches as shown. Since the switching frequency limit of SCL 4016 is 40 MHz, high-data rates can be easily accommodated. This method comes in handy when expensive FSK generator chips are not readily available; also, the components used in this circuit are easily available off the shelf and are quite cheap.
Reprinted Url Of This Article:
http://www.seekic.com/circuit_diagram/Signal_Processing/LOW_COST_FSK_GENERATOR.html
Print this Page | Comments | Reading(3)
Code: