Published:2009/7/14 23:04:00 Author:Jessie | From:SeekIC

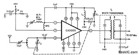
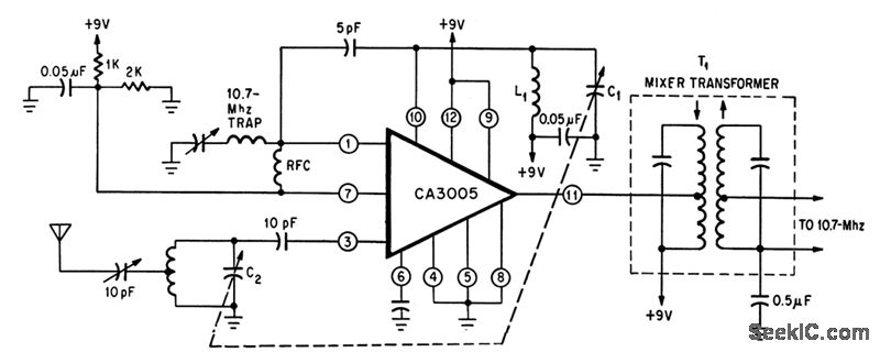
Front end uses single RCA three-transistor two-diode chip with conventional tuning circuit. Ganged capacitors C1.C2 are 5-22 pf. Power gain is 15 db and sensitivity is 10 microvolts for 30 db of quieting. Performance is just adequate for low-cot commercial f-m tuner.-R. L. Sanquini, Integrated Circuits Make A Low-Cost F-M Receiver, Electronics, 39:16, p 133-138.
Reprinted Url Of This Article:
http://www.seekic.com/circuit_diagram/Signal_Processing/LOW_COST_IC_TUNER.html
Print this Page | Comments | Reading(3)
Code: