Published:2009/7/21 7:44:00 Author:Jessie | From:SeekIC

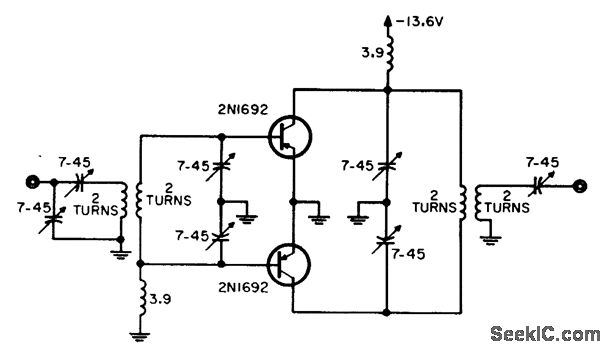
Efficiency is higher than with normal parallel output stage, yet overall efficiency is only 48% for 1.9-w output because emitter tuning is not effective and power gain is accordingly reduced.-W. A. Rheinfelder, Choosing the Best Transmitter Output State, EEE, 11:10, p 48-53.
Reprinted Url Of This Article:
http://www.seekic.com/circuit_diagram/Signal_Processing/LOW_POWER_PUSH_PULL_OUTPUT.html
Print this Page | Comments | Reading(3)
Code: