Published:2011/7/7 9:59:00 Author:Felicity | Keyword: lectronic Weight Instrument, the 1st) | From:SeekIC

Work of the circuit
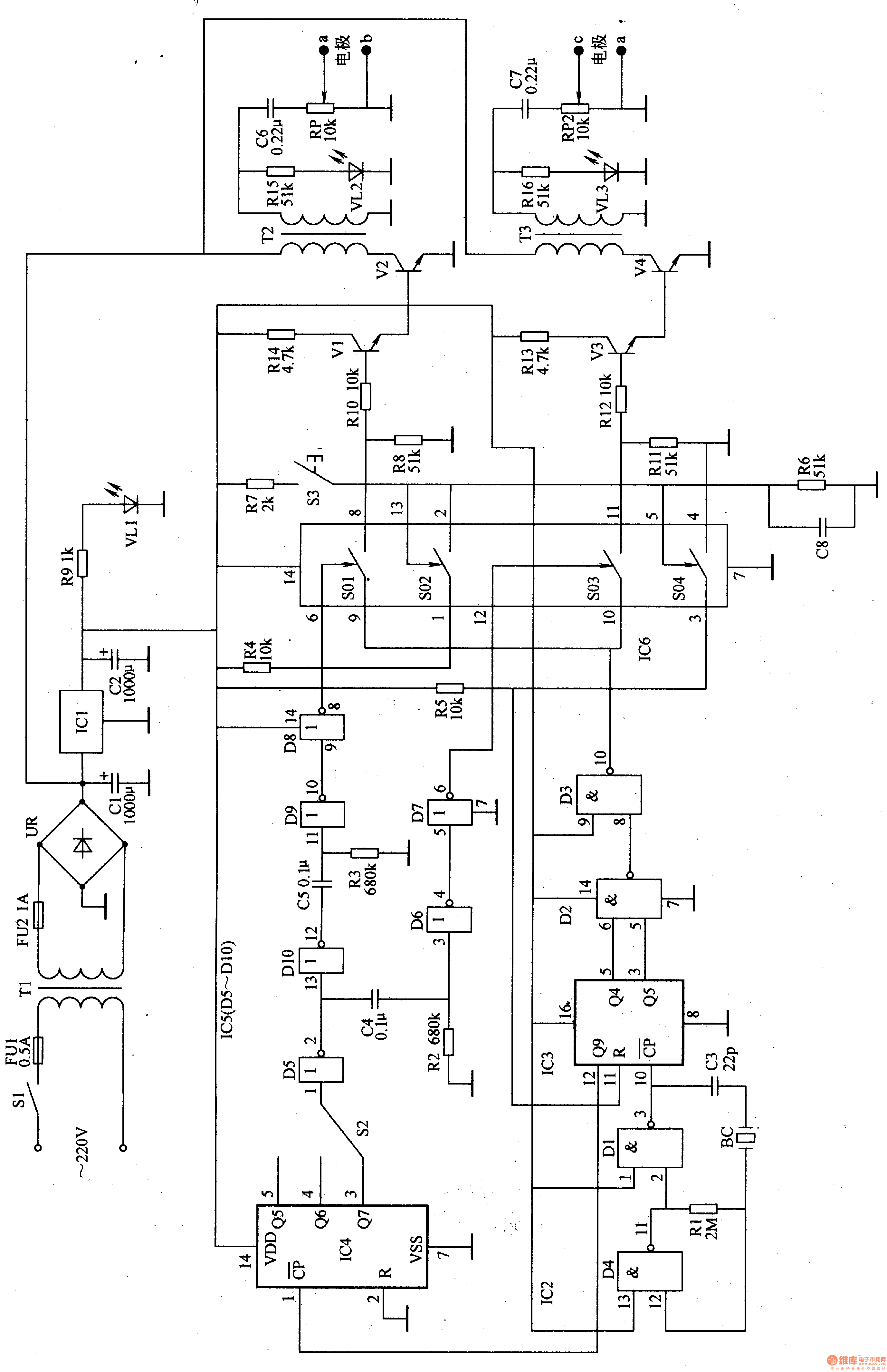
The circuit consists of power circuit, OSC, pulse-width controlling circuit, pulse group space controlling circuit, paraphase controlling circuit, outputting controlling circuit and driving controlling circuit. (It is showed in picture 9-36.)
Turn on the switch S1 and the 220V DC voltage produces 9V DC voltage. The voltage separates into two parts. One is supplied to outputting circuit. And the other one is stabilized to 5v to work for IC2-IC6. When the OSC is working, oscillation of low frequency is produced from pin 3 of IC3. The internal stimulated switch SO1 and SO3 is turned on with hiatus. The high pressure pulse string is added on the body through pole a, b, c and d.
Reprinted Url Of This Article:
http://www.seekic.com/circuit_diagram/Signal_Processing/Lectronic_Weight_Instrument_the_1st.html
Print this Page | Comments | Reading(3)
Code: