Published:2009/7/24 3:28:00 Author:Jessie | From:SeekIC

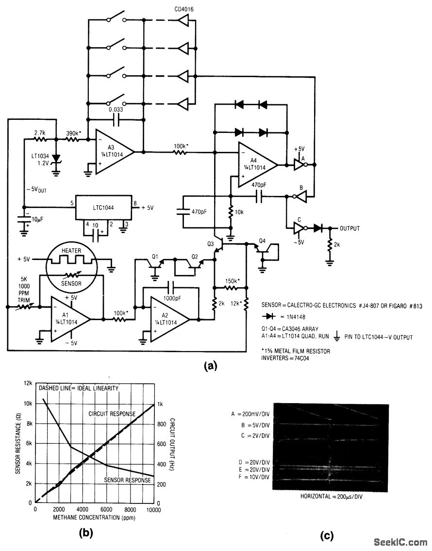
Fig. 14-5 The frequency output of this circuit is directly proportional to the methane concentration detected by the transducer. Figure 14-5B shows the transducer versus circuit response. To calibrate, place the transducer (sensor) in a 1000-pprn methane environment, and adjust the 1000-ppm trim for a 100-Hz output. Accuracy from 500 to 10,000 ppm is limited by the sensor 10% specification. Linear Technology, Linear Applications Handbook 1990. p AN11-3.
Reprinted Url Of This Article:
http://www.seekic.com/circuit_diagram/Signal_Processing/Linearized_methane_transducer_signal_conditioner.html
Print this Page | Comments | Reading(3)
Code: