Published:2011/5/9 3:49:00 Author:Christina | Keyword: Litleswan, washing machine, principle circuit | From:SeekIC


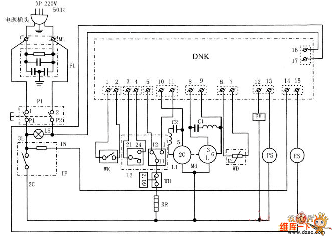
The Litleswan XQB50-801 washing machine principle circuit is as shown:
Reprinted Url Of This Article:
http://www.seekic.com/circuit_diagram/Signal_Processing/Litleswan_XQB50_801_washing_machine_principle_circuit.html
Print this Page | Comments | Reading(3)
Code: