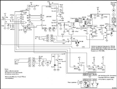
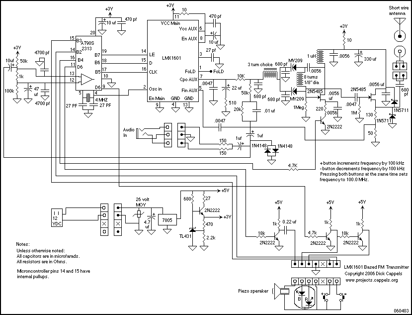
Published:2013/1/22 20:38:00 Author:muriel | Keyword: Low Power, PLL, FM , Transmitter | From:SeekIC

Reprinted Url Of This Article:
http://www.seekic.com/circuit_diagram/Signal_Processing/Low_Power_PLL_FM_Transmitter.html
Print this Page | Comments | Reading(3)
Code: