Published:2009/7/24 8:28:00 Author:Jessie | From:SeekIC

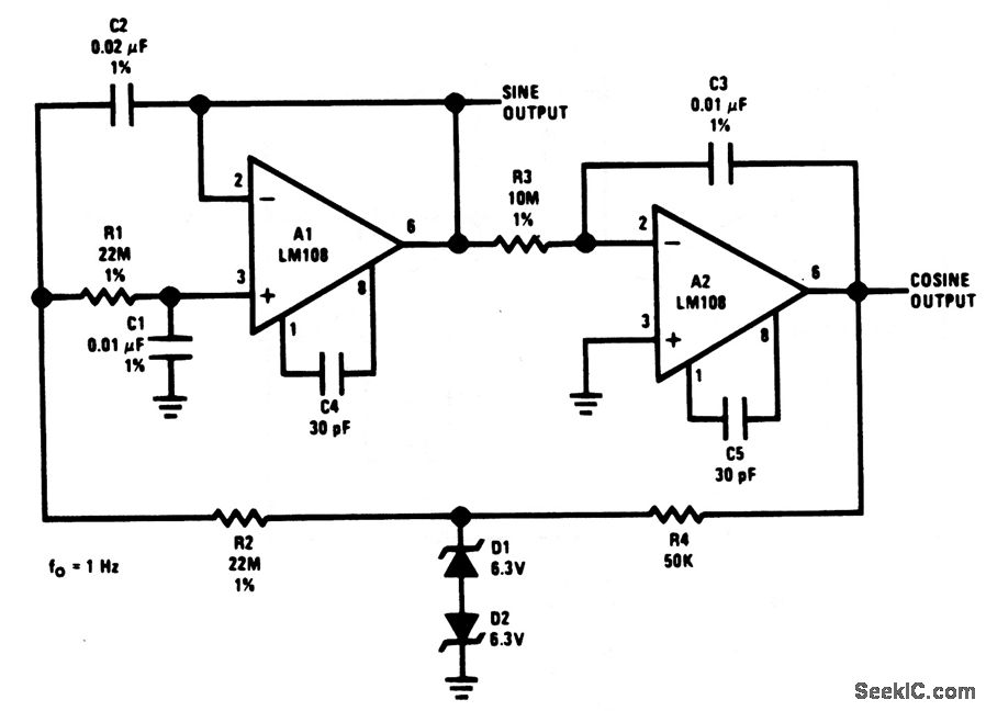
This circuit uses two LM108s to provide a both a sine and cosine output at 1 Hz. National Semiconductor, Linear Applications Handbook, 1991, p. 84.
Reprinted Url Of This Article:
http://www.seekic.com/circuit_diagram/Signal_Processing/Low_frequency_sine_wave_generator_with_quadrature_output_1.html
Print this Page | Comments | Reading(3)
Code: