Published:2011/5/26 8:52:00 Author:Lena | Keyword: infrared, remote control, reception, microprocessor | From:SeekIC






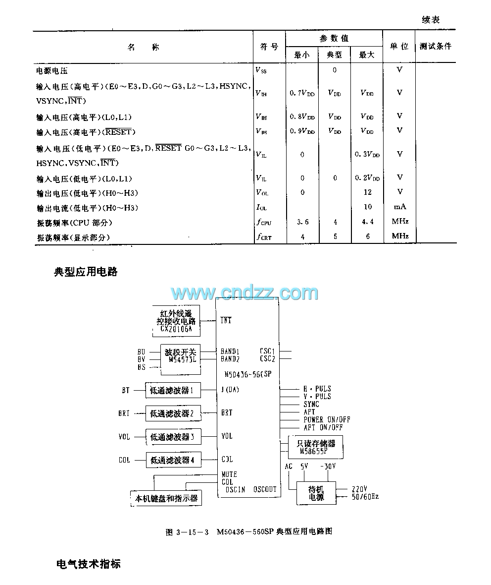
M50436-560SP are 4bit singlechips used in voltage synthesized digit tune system, applied to TV etc. Internal circuit consists of encoder, accumulator, logic operation unit, storage, register, controller, cut-off control circuit, clock oscillating circuit and input/output bus line etc. Identifing different instruction signals sentfrom infrared remote control receiver, then the circuit outputs control signals to control circuit.
technology features
CMOS technics, power loss is low(The current is only 4mA)
Reprinted Url Of This Article:
http://www.seekic.com/circuit_diagram/Signal_Processing/M50436—500SPTV_infrared_remote_control_reception_microprocessor_circuit.html
Print this Page | Comments | Reading(3)
Code: