© 2008-2012 SeekIC.com Corp.All Rights Reserved.
Published:2011/6/1 9:35:00 Author:Lena | Keyword: infrared, remote control, transmitting, microprocessor | From:SeekIC








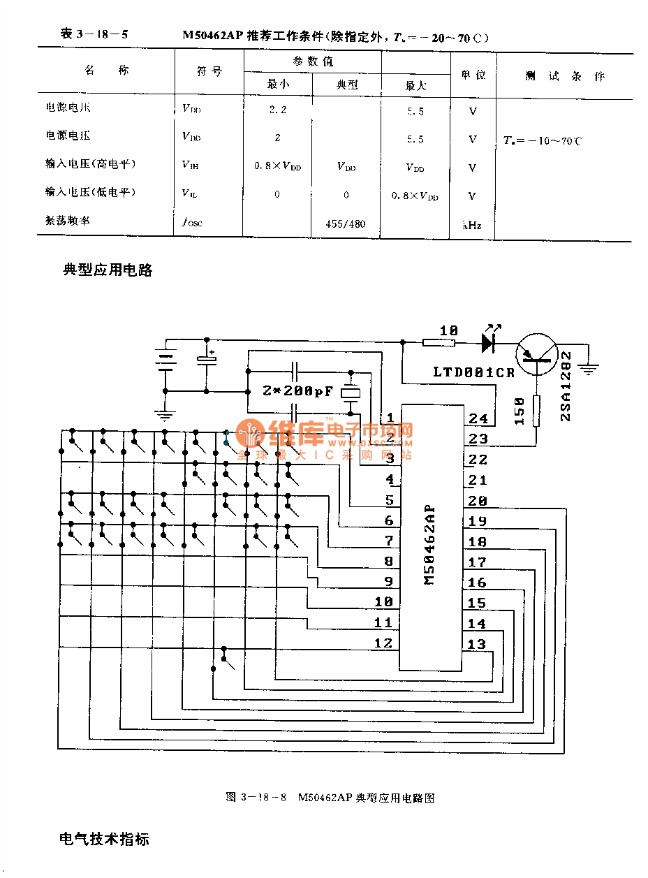
M50462AP is an infrared remote control transmitting microprocessor applied to TV etc. Internal circuit composed by oscillator, clock signal generator, key scan signal generator, key coder, remote control instruction coder, user code converter, code modulator and output buffer etc.
Technology features
Si-gate CMOS ProcessWhen no keyis pressed, the oscillator stop work, so supply power loss is very low. When power supply voltageis 3V, the loss is 3μW.Single power supply, work voltage(2-2.5V) range is wide.
Reprinted Url Of This Article:
http://www.seekic.com/circuit_diagram/Signal_Processing/M50462AP_TV_infrared_remote_control_transmitting_microprocessor.html
Print this Page | Comments | Reading(3)
Response in 12 hours
© 2008-2012 SeekIC.com Corp.All Rights Reserved.
Code: