© 2008-2012 SeekIC.com Corp.All Rights Reserved.
Published:2011/5/26 8:50:00 Author:Lena | Keyword: infrared, remote control, transmitting, microprocessor | From:SeekIC




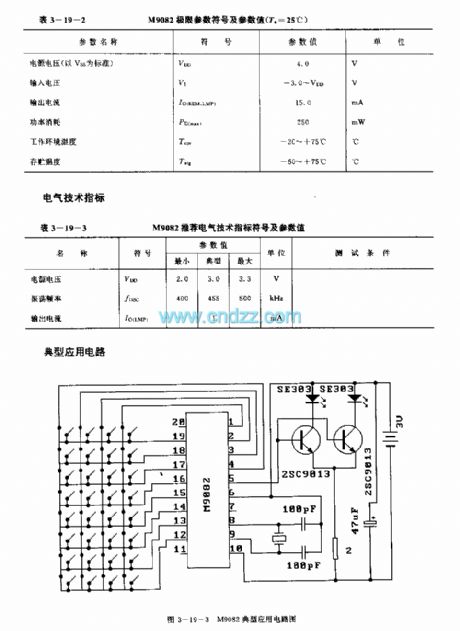
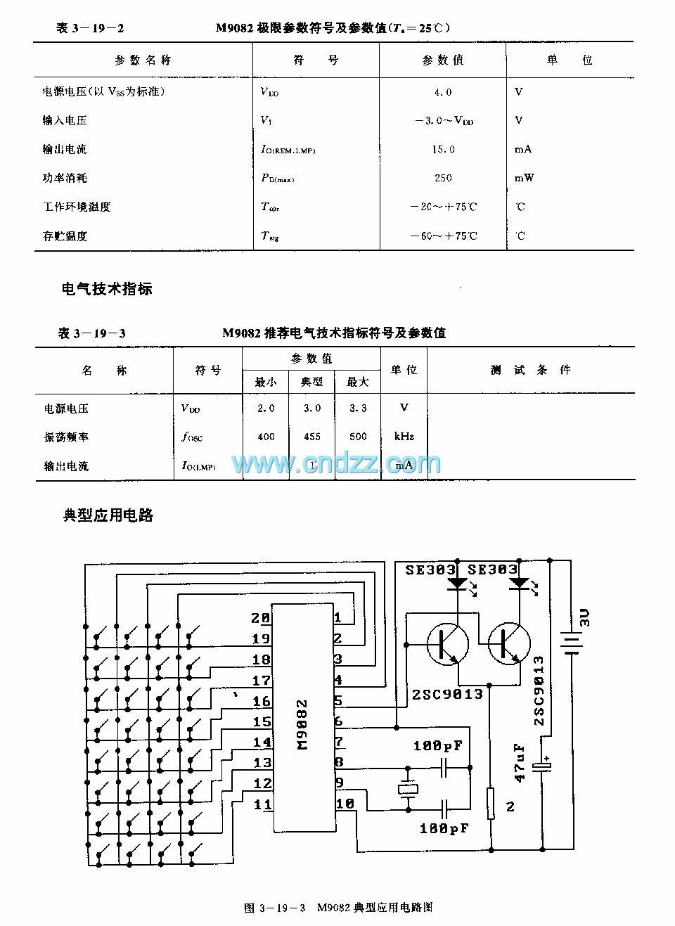
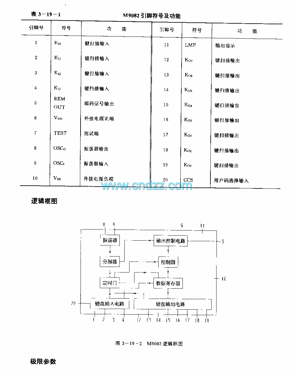
M9082 is an infrared remote control transmitting microprocessor,applied to TVs etc.Internal circuit consists of oscillator, divider, timing circuit, key scan input circuit, key scan output circuit, controller, data register and output controller. Supporting types is CX20106A.Package form is 20 pins dual flat plastic package.
Reprinted Url Of This Article:
http://www.seekic.com/circuit_diagram/Signal_Processing/M9082TV_infrared_remote_control_transmitting_microprocessor.html
Print this Page | Comments | Reading(3)
Response in 12 hours
© 2008-2012 SeekIC.com Corp.All Rights Reserved.
Code: