Published:2011/9/13 21:15:00 Author:Ecco | Keyword: Programmable filter | From:SeekIC

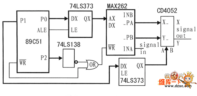
Programmable filter is mainly achieved by the MAX262. MAX262 achieves programmable filter from filter parameters programmed by the SPI bus, and the center frequency and quality factor are 64, 128-level programming adjustable, the circuit is shown as the chart.
Reprinted Url Of This Article:
http://www.seekic.com/circuit_diagram/Signal_Processing/MAX262_Programmable_filter_circuit.html
Print this Page | Comments | Reading(3)
Code: