Published:2009/7/16 5:20:00 Author:Jessie | From:SeekIC

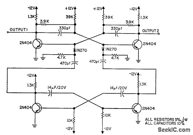
Fast rise time of astable mvbr is used to set and reset bistable flip-flop, whose output waveform follows that of astable with important exception that now both rise and fall limes are very fast, of the order of few microsec for 5-cps square wave.-M. I. Neidich, Astable Multi has Microsecond Fall, EEE, 11:7, p 28.
Reprinted Url Of This Article:
http://www.seekic.com/circuit_diagram/Signal_Processing/MICROSEC_FALL_TIME.html
Print this Page | Comments | Reading(3)
Code: