Published:2009/6/25 2:24:00 Author:May | From:SeekIC

Circuit Notes
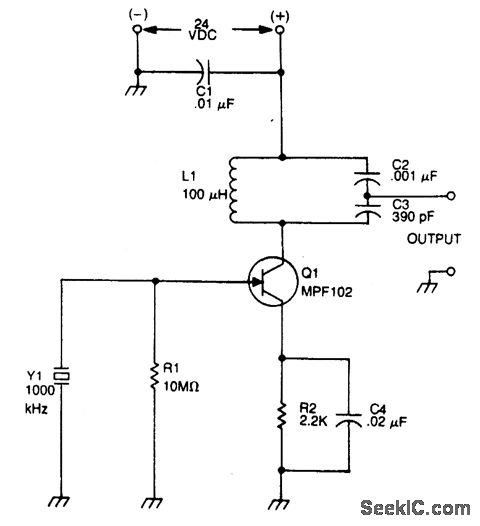
The drain of the JFET Miller oscillator is tuned to the resonant frequency of the crystal by an LO tank circuit.
Reprinted Url Of This Article:
http://www.seekic.com/circuit_diagram/Signal_Processing/MILLER_OSCILLATOR_CRYSTAL_CONTROLLED.html
Print this Page | Comments | Reading(3)
Code: