Published:2009/7/23 22:35:00 Author:Jessie | From:SeekIC

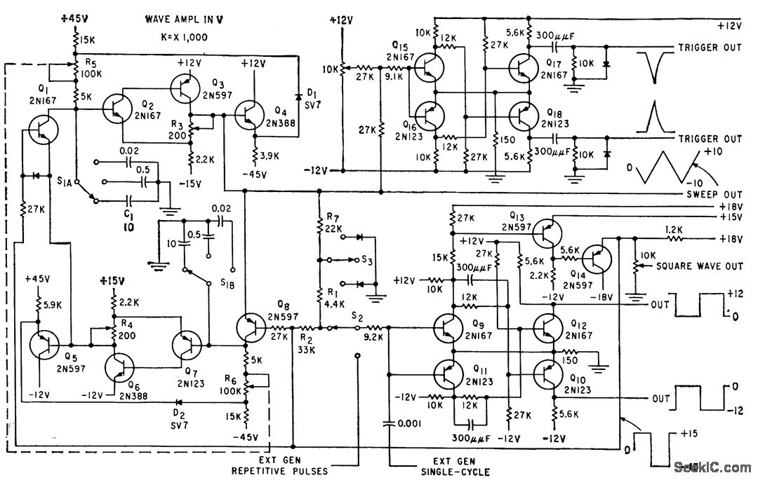
Uses double-bootstrap sweeps to generate triangular wave. Can be free-running or driven by external generator. Polarity-sensitive trigger circuit controls sweeps.-J. E. Curry, Multi-Waveform Generator, Electronics, 32:46, p 83.
Reprinted Url Of This Article:
http://www.seekic.com/circuit_diagram/Signal_Processing/MULTI_WAVEFORM_GENERATOR.html
Print this Page | Comments | Reading(3)
Code: