Published:2011/5/11 7:04:00 Author:Christina | Keyword: Medical, call receiver | From:SeekIC


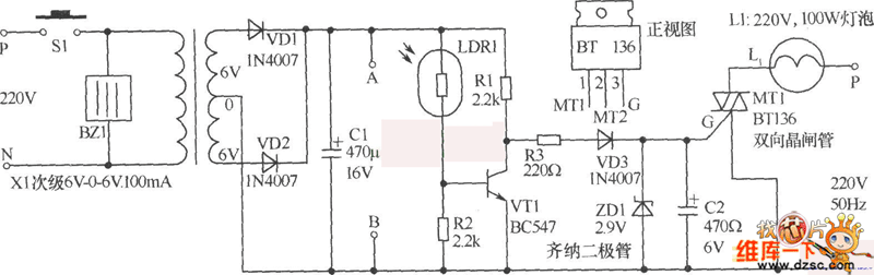
The medical call receiver circuit can avoid to miss the turn voice of the patients, in the daytime, this receiver works by itself, it automatically cuts off the floodlight part. At night, the receiver and lighting signal is sent by the patients simultaneously. When you press the call switch, the transformer X1's primary stage will connect to the AC power, the secondary voltage is rectified and filtered by the circuit, the output DC voltage sends to the VT1 collector through R1. In the daytime, the photoconductive resistance LDR1 shows the low impedance state by the light ray, VT1 conducts and it's collector shows the low-level voltage, so the thyristor BT136 don't work, you can only hear the call bell, lighting signal is in the invalid state. At night, LDR1 is in the high impedance state for the dark, so after you press S1, VT1 cuts off to make the positive DC voltage can be charged through the R1 and R3. VD3 can makes the constant DC positive bias voltage to trigger the BT136, so lamp L1 turns on, and you can hear the ringtone at night and see the turning light signal.
Reprinted Url Of This Article:
http://www.seekic.com/circuit_diagram/Signal_Processing/Medical_call_receiver_circuit.html
Print this Page | Comments | Reading(3)
Code: