Published:2011/7/29 3:02:00 Author:Felicity | Keyword: Memory Strengthener | From:SeekIC

Work of the circuit
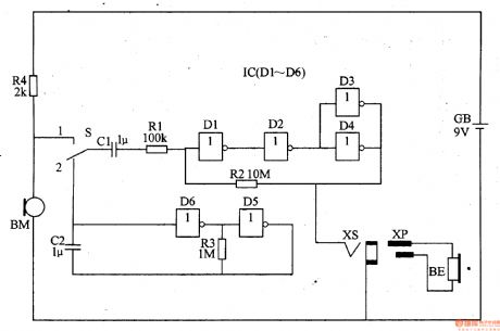
The circuit consists of low-frequency Oscillator, negative feed-back amplifier, mike BM, converting switch S and earphone jack XS. (It is showed in picture 9-75.).
Low-frequency Oscillator consists of six non-gate IC IC (Dl-D6) within the non-gate D5, D6 and resistor R3, capacitor C2.
Negative feed-back amplifier consists of the Dl-D4 within IC and resistor R2.
If you want to use it as a hearing-aid or memory strengthener, you should put S in site 1. Here BM turns the sound signal it collects into electric signal which drives BE to make sound after being adjusted.
If you want to use it as a hypnotizer you should turn S to site 2. Here the signal produced by low-frequency Oscillator will turn to the sound.The sound makes people sleepy after being amplified by negative feed-back amplifier.
Reprinted Url Of This Article:
http://www.seekic.com/circuit_diagram/Signal_Processing/Memory_Strengthener_the_1st.html
Print this Page | Comments | Reading(3)
Code: