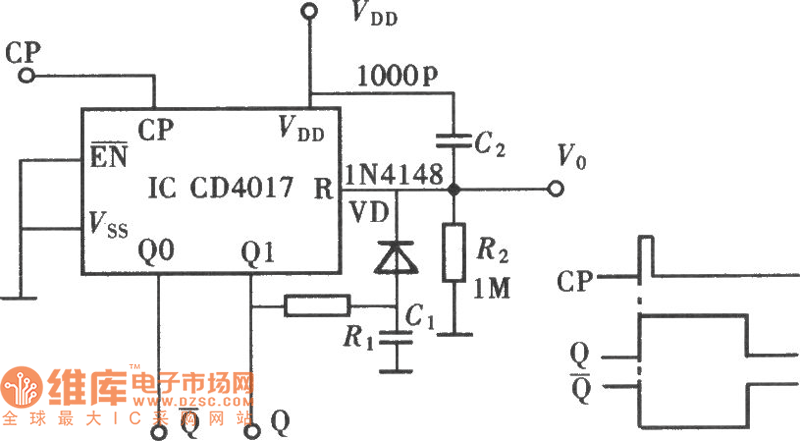
Published:2011/4/24 21:17:00 Author:Sue | Keyword: Mono-stable, Trigger | From:SeekIC

Reprinted Url Of This Article:
http://www.seekic.com/circuit_diagram/Signal_Processing/Mono_stable_Trigger_Circuit_Composed_of_CD4017.html
Print this Page | Comments | Reading(3)
Code: