Published:2013/5/28 22:20:00 Author:muriel | Keyword: Multiple Receivers | From:SeekIC

Reprinted Url Of This Article:
http://www.seekic.com/circuit_diagram/Signal_Processing/Multiple_Receivers.html
Print this Page | Comments | Reading(3)
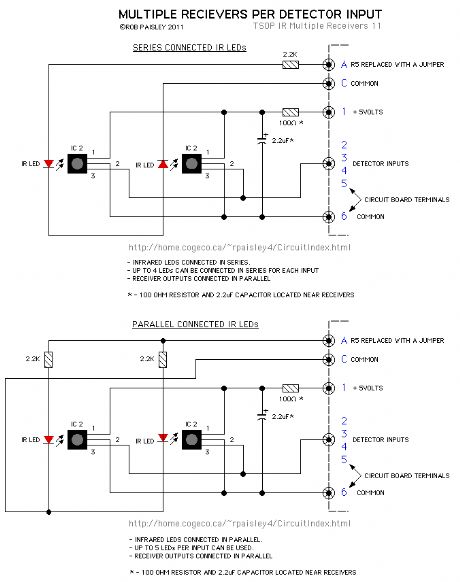
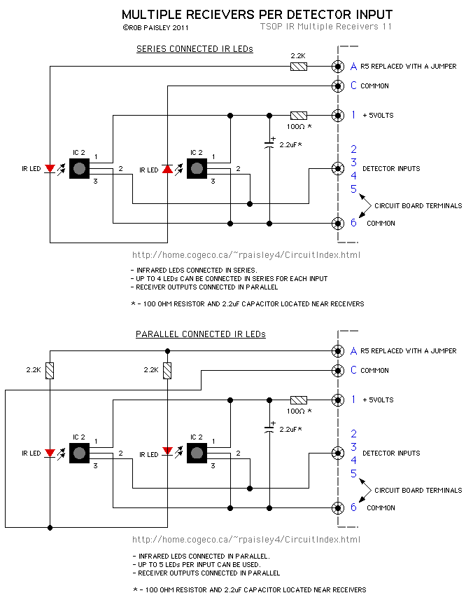
Code: