Published:2009/7/14 3:41:00 Author:May | From:SeekIC

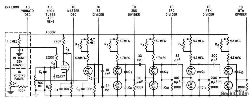
Each of 12 organ tone generators has four pairs of neon tubes in series, each pair shunted by two series capacitors. With signal taken from common point between capacitors, sufficient insolation exists to prevent feedback and spurious tones in output. Master oscillator provides initial sync for neon-lamp divider chain. Article gives capacitor values for each musical note.-R. H. Dorf, Electronic Organ Uses Neon Tone Generators, Electronics, 31:35, p 36-41.
Reprinted Url Of This Article:
http://www.seekic.com/circuit_diagram/Signal_Processing/NEON_TONE_GENERATOR.html
Print this Page | Comments | Reading(3)
Code: