Published:2009/7/16 3:13:00 Author:Jessie | From:SeekIC

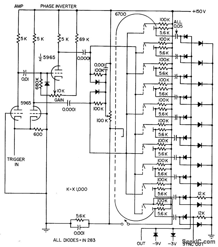
Beam-switching tube provides arbitrary nine-bit words at pulse rates from few cps to 1 Mc, for testing digital systems. Output can be changed from spike to square wave by changing plug-in capacitors.-R. R. Hartel, Word Generator for Digital Testing, Electronics, 31:9, p 71.
Reprinted Url Of This Article:
http://www.seekic.com/circuit_diagram/Signal_Processing/NINE_BIT_WORD_GENERATOR.html
Print this Page | Comments | Reading(3)
Code: