Published:2011/3/27 21:43:00 Author:may | Keyword: Negative oxygen generator, ion generator | From:SeekIC

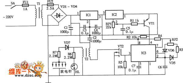
Negative oxygen | ion | generator circuit is shown in the diagram:
Reprinted Url Of This Article:
http://www.seekic.com/circuit_diagram/Signal_Processing/Negative_oxygen___ion___generator_circuit.html
Print this Page | Comments | Reading(3)
Code: