Published:2009/6/18 2:34:00 Author:May | From:SeekIC

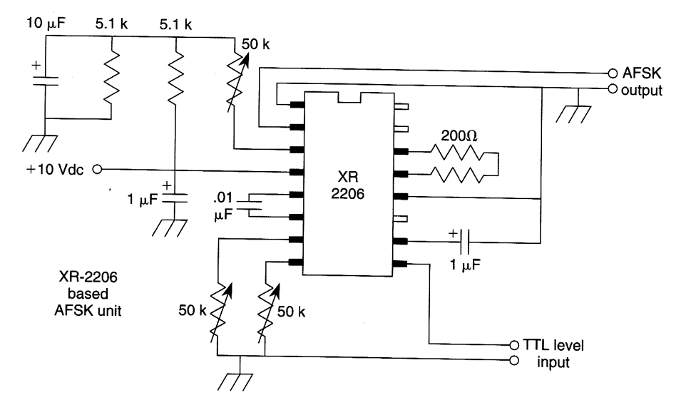
Built around an XR2206 IC,this circuit wiⅡ generate AFSK signals in the 1000- to 3000-Hz range
Reprinted Url Of This Article:
http://www.seekic.com/circuit_diagram/Signal_Processing/ONE_CHIP_AFSK_GENERATOR__.html
Print this Page | Comments | Reading(3)
Code: