Published:2009/7/21 2:30:00 Author:Jessie | From:SeekIC

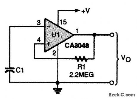
The only components in the simple circuit shown are a CA3048 OTA, a feedback resistor (R1), and a timing capacitor (C1). The output frequency is approximately given by:
ƒo≈1/(2πR1C1)
Timing resistor R1 should be from 1 to 3.9 MΩ .When R1 is of a greater value, the circuit some-Fig, 75-5 times stops oscillating, depending on the specific CA3048 used.
Reprinted Url Of This Article:
http://www.seekic.com/circuit_diagram/Signal_Processing/OPERATIONAL_TRANSCONDUCTANCE_AMPLIFIER_OSCILLATOR.html
Print this Page | Comments | Reading(3)
Code: