Published:2009/7/1 23:50:00 Author:May | From:SeekIC

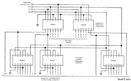
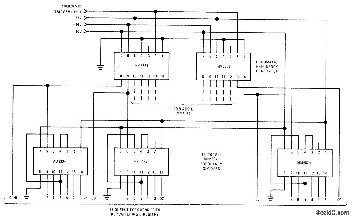
National MM5824 and MM5824 chromatic frequency generators are used with 12 MM5824 frequency dividers to generate 85 musical frequencies fully spanning equal-tempered octave. Can also be used as celeste or chorus tone generator and as electronic music synthesizer. Square-wave inputfor organ is 2.00024 MHz but can be as low as 7 kHz for other applications -''MOS/LSI Databook.'' national Semiconductor .Santa Clara. CA .1977.p3-11-3-13.
Reprinted Url Of This Article:
http://www.seekic.com/circuit_diagram/Signal_Processing/ORGAN_TONE_GENERATOR.html
Print this Page | Comments | Reading(3)
Code: